DEHNshield ZP (2nd generation)

  • Type 1 + type 2 combined lightning current and surge arrester with spark gap technology
  • Energy-coordinated protection effect with regard to the terminal equipment (≤ 10 m) type 1 + type 2 + type 3
  • Fully compliant with all requirements of the national VDN* guideline on the use of SPDs upstream of the meter panel
  • Quick and easy installation by snapping the arrester onto 40 mm busbar systems
  • Protects the entire electrical installation already near the infeed point
  • Operating state / fault indication by green / red indicator flag in the inspection window
  • No tripping of 32 A gG fuses up to short-circuit currents of 25 kArms
  • Fulfils the requirements on the lightning current discharge capacity according to IEC 60364-5-53**
  • Compact lightning equipotential bonding including protection of terminal equipment

Further information

DEHNshield ZP TT Basic

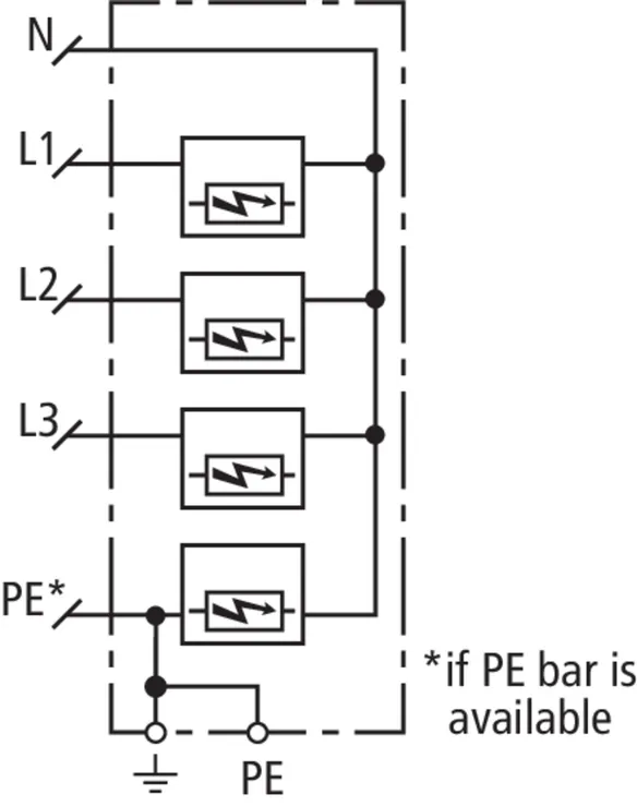
Combined arrester for TT and TN-S systems for use in the main power supply system (3+1 configuration) of residential buildings without external lightning protection system (also with infeed via overhead lines).

1 Product

Part No. 900396 DSH ZP B TT 255

GTIN 4013364306783, Customs tariff No. (EU): 85363090, Gross weight: 736.69 g, PU: 1.00 pc(s)


Images

Additional information

DEHNshield ZP B TT 255 combined arrester
Four-pole combined arrester for 230/400 V TT and TN(C)-S systems
For use upstream of the meter according to German VDN guideline
Type 1 + type 2 SPD according to EN 61643-11
Powerful spark gap technology for follow current limitation
Can be directly snapped on the 40 mm busbar system
in the lower terminal compartment of the meter panel
without tools
Max. continuous operating voltage: 255 V a.c.
Voltage protection level: <= 1.5 kV
Lightning impulse current (10/350): 30 kA
Follow current extinguishing capability: 25 kArms
Energy coordination according to IEC 62305-4 with
arresters of the Red/Line series and with terminal equipment
Fault indication

Brand: DEHN
Type: DSH ZP B TT 255
Part No.: 900396
or equivalent.

Certificates

 

Wave breaker function

In the case of spark-gap-based type 1 arresters, the entire current flows through the type 1 arrester during the discharge process. Like a wave breaker, the incoming energy is greatly broken down, which significantly relieves the downstream SPDs. All type 1 arresters in the Red/Line product range feature the WBF wave breaker function.

Technical data

SPD according to EN 61643-11 / IEC 61643-11 type 1 + type 2 / class I + class II
Max. continuous operating voltage (a.c.) (UC ) 255 V (50 / 60 Hz)
Lightning impulse current (10/350 µs) [L1+L2+L3+N-PE] (Itotal ) 30 kA
Lightning impulse current (10/350 µs) [L-N] (Iimp ) 7.5 kA
Lightning impulse current (10/350 µs) [N-PE] (Iimp ) 30 kA
Voltage protection level [L-N] (UP ) ≤ 1.5 kV
Voltage protection level [N-PE] (UP ) ≤ 1.5 kV
Max. mains-side overcurrent protection 160 A gG
Approvals VDE

Product 900396 was added to Notepad.

Product 900396 was added to the cart.


back to top